Product Summary
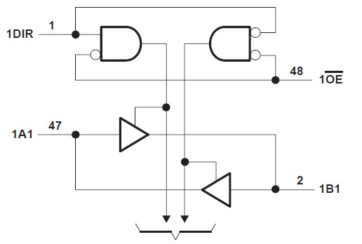
The SN74LVC16245ADL is a 16-bit (dual-octal) noninverting bus transceiver. It is designed for 1.65-V to 3.6-V VCC operation. The SN74LVC16245ADL is designed for asynchronous communication between data buses. The control-function implementation minimizes external timing requirements. The SN74LVC16245ADL can be used as two 8-bit transceivers or one 16-bit transceiver. It allows data transmission from the A bus to the B bus or from the B bus to the A bus, depending on the logic level at the direction-control (DIR) input.
Parametrics
SN74LVC16245ADL absolute maximum ratings: (1)Supply voltage range, VCC: -0.5 V to 6.5 V; (2)Input voltage range, VI: -0.5 V to 6.5 V; (3)Voltage range applied to any output in the high-impedance or power-off state, VO: -0.5 V to 6.5 V; (4)Voltage range applied to any output in the high or low state, VO: -0.5 V to VCC + 0.5 V; (5)Input clamp current, IIK (VI < 0): -50 mA; (6)Output clamp current, IOK (VO < 0): -50 mA; (7)Continuous output current, IO: ±50 mA; (8)Continuous current through each VCC or GND: ±100 mA; (9)Package thermal impedance, θJA: DGG package: 70℃/W; (10)Storage temperature range, Tstg: -65℃ to 150℃.
Features
SN74LVC16245ADL features: (1)Member of the Texas Instruments Widebus Family; (2)Operates From 1.65 V to 3.6 V; (3)Inputs Accept Voltages to 5.5 V; (4)Max tpd of 4 ns at 3.3 V; (5)Typical VOLP (Output Ground Bounce)<0.8 V at VCC = 3.3 V, TA = 25℃; (6)Typical VOHV (Output VOH Undershoot)>2 V at VCC = 3.3 V, TA = 25℃; (7)Supports Mixed-Mode Signal Operation on All Ports (5-V Input/Output Voltage With 3.3-V VCC); (8)Ioff Supports Partial-Power-Down Mode Operation; (9)Latch-Up Performance Exceeds 250 mA Per JESD 17; (10)ESD Protection Exceeds JESD 22.
Diagrams

| Image | Part No | Mfg | Description | ![]() |
Pricing (USD) |
Quantity | ||||||||||||
|---|---|---|---|---|---|---|---|---|---|---|---|---|---|---|---|---|---|---|
![]() |
![]() SN74LVC16245ADL |
![]() Texas Instruments |
![]() Bus Transceivers Tri-State 16-Bit Bus |
![]() Data Sheet |
![]()
|
|
||||||||||||
![]() |
![]() SN74LVC16245ADLG4 |
![]() Texas Instruments |
![]() Bus Transceivers Low-Voltage 10-Bit FET Bus Switch |
![]() Data Sheet |
![]()
|
|
||||||||||||
![]() |
![]() SN74LVC16245ADLR |
![]() Texas Instruments |
![]() Bus Transceivers Tri-State 16-Bit Bus |
![]() Data Sheet |
![]()
|
|
||||||||||||
![]() |
![]() SN74LVC16245ADLRG4 |
![]() |
![]() IC TXRX BUS 16BIT 48-SSOP |
![]() Data Sheet |
![]()
|
|
||||||||||||
(China (Mainland))









