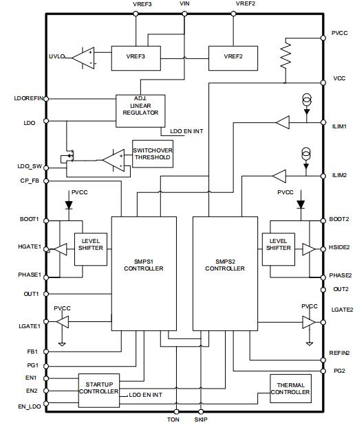
Product Summary
The PM6686 is a dual step-down cotroller with adjustable voltages, adjustable LDO and auxiliary charge pump controller for notebook. It is specifically designed to provide extremely high efficiency conversion, with lossless current sensing technique. The constant on-time architecture assures fast load transient response and the embedded voltage feed-forward provides nearly constant switching frequency operation. Pulse skipping technique increases efficiency at very light load. Its applications include Notebook computers, Main (3.3 V/5 V), chipset (1.5 V/1.05 V), DDR1/2/3, graphic cards power supply, PDAs, mobile devices, tablet PC or slates, 3-4 cells Li+ battery powered devices.
Parametrics
PM6686 absolute maximum ratings: (1)VIN to PGND: -0.3 to 38V; (2)phase to pgnd: -0.3 to 38V; (3)PVCC to PGND: -0.3 to 6V; (4)power dissipation: 2W; (5)maximum withstanding voltage range: ±1250V.
Features
PM6686 features: (1)Frequency selectable; (2)Soft-start internally fixed at 2 ms and soft-stop; (3)Selectable pulse skipping at light loads; (4)Selectable minimum frequency (33 kHz) in pulse skip mode; (5)Independent Power Good and EN signals; (6)Latched OVP and UVP; (7)Charge pump feedback.
Diagrams

| Image | Part No | Mfg | Description | ![]() |
Pricing (USD) |
Quantity | ||||||||||||
|---|---|---|---|---|---|---|---|---|---|---|---|---|---|---|---|---|---|---|
![]() |
![]() PM6686TR |
![]() STMicroelectronics |
![]() DC/DC Switching Controllers Step-down Controller w/adj. voltages-dual |
![]() Data Sheet |
![]()
|
|
||||||||||||
| Image | Part No | Mfg | Description | ![]() |
Pricing (USD) |
Quantity | ||||||||||||
![]() |
![]() PM6600 |
![]() STMicroelectronics |
![]() LED Lighting Drivers 6-rows 30 mA LEDs Driver w/boost REG |
![]() Data Sheet |
![]()
|
|
||||||||||||
![]() |
![]() PM6610 |
![]() Other |
![]() |
![]() Data Sheet |
![]() Negotiable |
|
||||||||||||
![]() |
![]() PM6610-2D |
![]() Other |
![]() |
![]() Data Sheet |
![]() Negotiable |
|
||||||||||||
![]() |
![]() PM6641 |
![]() STMicroelectronics |
![]() Switching Converters, Regulators & Controllers MONO VR CHIPSET DDR2/3 SUPPLY |
![]() Data Sheet |
![]()
|
|
||||||||||||
![]() |
![]() PM6641TR |
![]() STMicroelectronics |
![]() Low Dropout (LDO) Regulators Monolithic VR |
![]() Data Sheet |
![]()
|
|
||||||||||||
![]() |
![]() PM6644TR |
![]() STMicroelectronics |
![]() DC/DC Switching Controllers 350 mA adj step-down 4.5 to 25V -40, 150c |
![]() Data Sheet |
![]()
|
|
||||||||||||
(China (Mainland))










