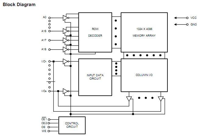
Product Summary
The LP62S4096EX-70LLTF is a low operating current 4,194,304-bit static random access memory. The LP62S4096EX-70LLTF is organized as 524,288 words by 8 bits and operates on a low power supply range: 2.7V to 3.3V. The LP62S4096EX-70LLTF is built using AMIC high performance CMOS process. Inputs and three-state outputs are TTL compatible and allow for direct interfacing with common system bus structures.
Parametrics
LP62S4096EX-70LLTF absolute maximum ratings: (1)VCC to GND:-0.5V to + 4.0V ; (2)IN, IN/OUT Volt to GND:-0.5V to VCC + 0.5V ; (3)Operating Temperature, Topr:-25℃ to + 85℃; (4)Storage Temperature, Tstg:-55℃ to + 125℃; (5)Temperature Under Bias, Tbias:-10℃ to + 85℃; (6)Power Dissipation, PT:0.7W.
Features
LP62S4096EX-70LLTF features: (1)Power supply range: 2.7V to 3.6V ; (2)Access times: 55ns / 70ns (max.) ; (3)Current: Very low power version: Operating:30mA(max.), Standby: 10mA (max.); (4)Full static operation, no clock or refreshing required ; (5)All inputs and outputs are directly TTL-compatible ; (6)Common I/O using three-state output ; (7)Data retention voltage: 2V (min.) ; (8)Available in 32-pin TSOP/TSSOP 36-ball CSP package.
Diagrams

![]() |
![]() LP621024D |
![]() Other |
![]() |
![]() Data Sheet |
![]() Negotiable |
|
||||
![]() |
![]() LP621024D-I |
![]() Other |
![]() |
![]() Data Sheet |
![]() Negotiable |
|
||||
![]() |
![]() LP621024D-T |
![]() Other |
![]() |
![]() Data Sheet |
![]() Negotiable |
|
||||
![]() |
![]() LP621024E |
![]() Other |
![]() |
![]() Data Sheet |
![]() Negotiable |
|
||||
![]() |
![]() LP621024EI |
![]() Other |
![]() |
![]() Data Sheet |
![]() Negotiable |
|
||||
![]() |
![]() LP62E16128A |
![]() Other |
![]() |
![]() Data Sheet |
![]() Negotiable |
|
||||
(China (Mainland))








