Product Summary
The ETL81-050 is a GTR Module. Its applications include power switching, A.C motor controls, D.C motor controls, uninterruptible power supply, motor brake in inverter and air conditioners.
Parametrics
ETL81-050 absolute maximum ratings: (1)collector-emitter voltage, VCES: 600V; (2)gate-emitter voltage, VGES: ±20V; (3)collector current, continuous, IC: 300A, 1ms, IC pulse: 600A, -IC: 300A; 1ms, -IC, pulse: 600A; (4)max power dissipation, PC: 900W; (5)operating temperature, Tj: +150℃; (6)storage temperature, Tstg: -40 to +125℃; (7)isolation voltage, 1min, Vis: AC 2500(1 min) V; (8)screw torque, mounting: 3.5Nm; terminals: 4.5Nm.
Features
ETL81-050 features: (1)High Voltage; (2)High DC Current Gain; (3)High speed switching; (4)Including Free Wheeling Diode; (5)Excellent Safe Operating Area; (6)Insulated Type.
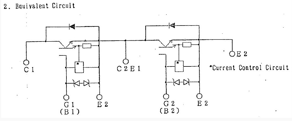
Diagrams

(China (Mainland))






