Product Summary
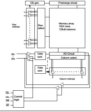
The K6T1008C2E-GB70 is a low power CMOS static RAM. It is fabricated by SAMSUNGs advanced CMOS process technology. The families support various operating temperature ranges and have various package types for user flexibility of system design. The families also support low data retention voltage for battery back-up operation with low data retention current.
Parametrics
K6T1008C2E-GB70 absolute maximum ratings: (1)voltage on any pin relative to VSS: -0.5 to 7V; (2)voltage on VCC supply relative to VSS: -0.5 to 7V; (3)power dissipation: 1W; (4)storage temperature: -65 to 150℃; (5)operating temperature: 0 to 70℃.
Features
K6T1008C2E-GB70 features: (1)Process Technology: TFT; (2)Organization: 128Kx8; (3)Power Supply Voltage: 4.5~5.5V; (4)Low Data Retention Voltage: 2V(Min); (5)Three state output and TTL Compatible; (6)Package Type: 32-DIP-600, 32-SOP-525.
Diagrams

(China (Mainland))






