Product Summary
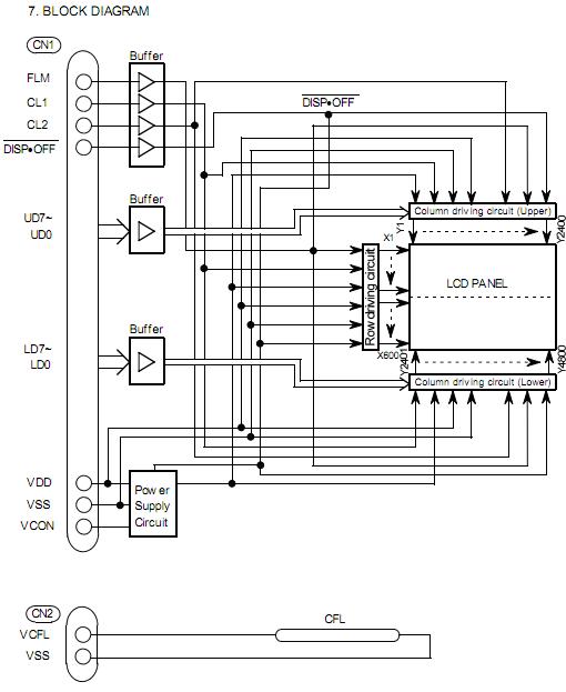
The SX25S004 is a TFT lcd panel.
Parametrics
SX25S004 absolute maximum ratings: (1)Power Supply for Logic, VDD-VSS: 0 to 4.6V; (2)Contrast Adjustment Voltage, VCON-VSS: 0 to VDD; (3)Input Voltage, Vi: -0.3 tp VDD+0.3V; (4)Input Current, Ii: 0 to 1A.
Features
SX25S004 features: (1)Module Size: 236.0(W) mm×168.0(H) mm×6.3 max (D) mm; (2)Display Size: Diagonal size 25cm (10.0"); (3)Dot Pitch: 0.0845(W) mm×0.2535(H) mm; (4)Number of Dots: 800×3 (R,G,B)(W)×600 (H) dots; (5)Duty: 1/300; (6)LCD: Film type (negative type), The upper polarizer is an anti-glare type. (Hardness:3H); (7)Viewing Direction: 12 O’clock; (8)Backlight: Cold Cathode Fluorescent Lamp (CFL)×1; (9)Weight: (330) g; (10)Pow er Supply Voltage: 3.3V only.
Diagrams

(China (Mainland))






